Pins

Clevis pins 

Mode

Tool

Tool set

Modes for Het gereedschap ‘Plaats symbool’

Clevis Pin

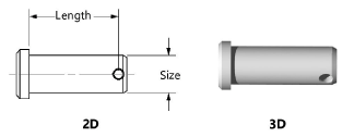
ClevisPinInch2D_tool.png 

Fasteners

Multiple clevis pin tools share the same position on the tool set. Click and hold the mouse on the visible tool to open the Subsets list and select the desired tool.

To insert a clevis pin:

Click the tool and mode.

Click to place the object, and click again to set the rotation. The first time you use the tool in a file, a properties dialog box opens. Set the default parameters. The parameters can be edited later from the Object Info palette.

Click to show/hide the parameters.Click to show/hide the parameters.

Parameter

Description

Size

Select the clevis pin size

Use Standard Length

(inch only)

Automatically adjusts the length to the recommended standard length per ASME standards; deselect to enter a custom length value

Pin Type

(metric and DIN only)

Specify the pin type for metric and DIN clevis pins

 

Length

For a custom length value, deselect Use Standard Length (inch) or Use Standard Length Increments (metric and DIN) and enter the desired length

Head Style

Select the head style

Clev_style.png 

View

(2D only)

Select the 2D view

Clev_views.png 

Show Center Line

(2D only)

Draws the clevis pin with center line(s)

Use Standard Length Increments

(metric and DIN only)

Automatically adjusts the length to the nearest increment based on standard sizes; deselect to enter a custom length

Niet gevonden wat je zocht? Vraag het aan onze virtuele assistent Dex.