Concept : Schémas de distribution électrique
Niveau de difficulté : Avancé
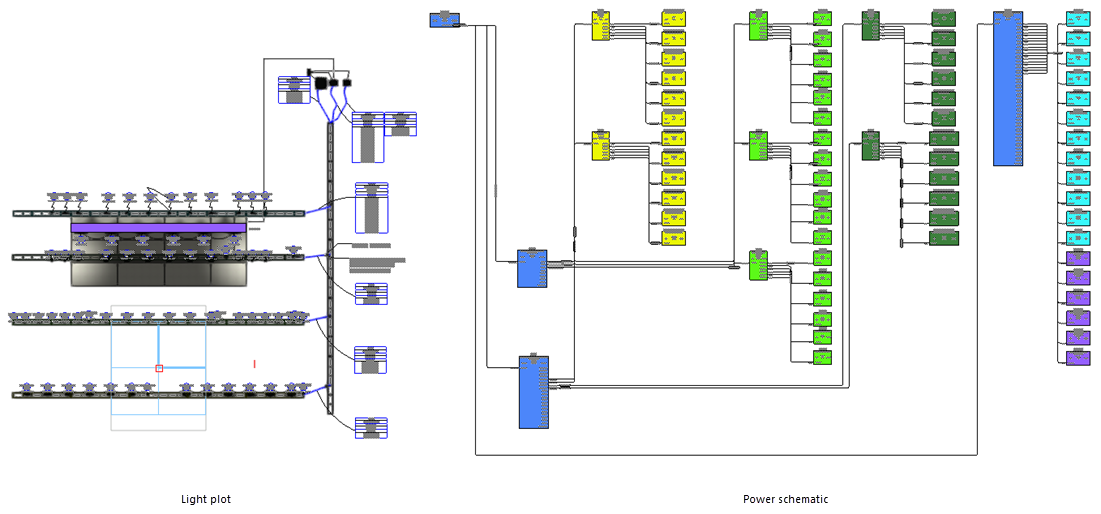
Un schéma de distribution électrique consiste en une vue schématique de tous les objets d'un plan de feu qui participent aux calculs de puissance électrique. Le plan de feu et le schéma de distribution électrique montrent les mêmes objets, mais de manière différente. Les plans de feu sont des dessins à l'échelle du monde physique. Les schémas, quant à eux, sont conçus pour illustrer le flux des signaux. Cette fonctionnalité combine l'expertise de Spotlight en matière de plans de feu et les possibilités de ConnectCAD en matière de schémas.
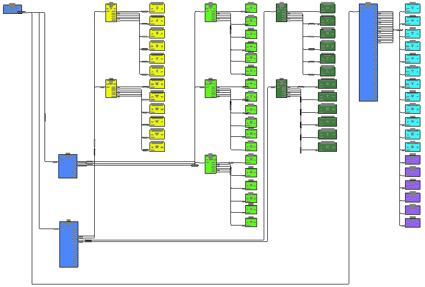
Le schéma montre un flux de signaux de gauche à droite, avec des périphériques au même niveau hiérarchique repris dans des colonnes. Les périphériques sont disposés de manière à minimiser le nombre de circuits qui se croisent.

Plan de feu (à gauche) et schéma de distribution électrique (à droite)
La commande Créer un schéma de distribution électrique produit un schéma électrique à partir d'un plan de feu. La commande :
Recherche sur les calques sélectionnés les objets qui participent au calcul de puissance
Détecte les projecteurs et les distributeurs Spotlight
Crée des périphériques schématiques pour les projecteurs et les distributeurs sur le calque sélectionné
Ajoute des connecteurs aux périphériques. Le nombre de connecteurs ajoutés est basé sur les ports disponibles. Les connecteurs sont nommés selon les conventions Spotlight.
Ajoute des circuits pour connecter les périphériques si les projecteurs et les distributeurs ont déjà été patchés ou sont connectés entre eux par des câbles. Les circuits sont associés à des câbles sur le plan de feu.
Crée une association entre les projecteurs et les distributeurs sur le plan de feu et les périphériques dans le schéma. Les projecteurs connectés en chaîne apparaissent avec des boucles de connecteur dans le schéma électrique. La consommation électrique de tous les projecteurs connectés en chaîne est additionnée au niveau du distributeur.
La commande peut également mettre à jour un schéma de distribution électrique existant et actualiser les valeurs calculées. Si des périphériques ou des circuits existent déjà, la commande ne les duplique pas.
Les données de puissance des projecteurs et des distributeurs sont liées à leurs périphériques schématiques associés afin de suivre le flux de signaux (voir Patcher le système électrique). Le texte lié (voir Lier un texte à un format de base de données) dans les périphériques indique les valeurs des champs du format de base de données de puissance.
Si les projecteurs, les distributeurs et les câbles du plan de feu sont modifiés, les périphériques et circuits associés sur le schéma sont mis à jour. De même, si des périphériques et des circuits sont modifiés sur le schéma, les projecteurs, les distributeurs et les câbles associés sur le plan de feu sont mis à jour. Les préférences des câbles Spotlight (voir Définir les préférences des câbles) déterminent si les câbles sont ajoutés automatiquement au plan de feu.
Si un câble ou une connexion est supprimée du plan de feu, une polyligne d’annotation indiquant la suppression remplace le circuit sur le schéma. De même, si un circuit est retiré du schéma, une polyligne remplace le câble sur le plan de feu. Pour supprimer les annotations, sélectionnez la commande Supprimer les annotations (voir Supprimer les annotations).
La commande Créer un tableau d’après les données du dessin permet de créer de nombreux types de tableaux pour établir des rapports de consommation électrique. Mettez à jour les tableaux après avoir sélectionné la commande Schéma de distribution électrique. Vous pouvez également utiliser les attributs dynamiques pour rechercher des erreurs telles que des circuits surchargés.
Définir les préférences d’un schéma de distribution électrique
|
Commande |
Configuration : Emplacement |
|
Préférences schéma de distribution électrique |
Design Suite : Entertainment > Câbles/Distribution électrique Spotlight : Spotlight > Câbles/Distribution électrique ConnectCAD : Disposition |
Avant de créer le schéma de distribution électrique, définissez les paramètres par défaut du schéma électrique. Ces préférences s’appliquent au fichier actuel.
Pour définir les préférences d’un schéma de distribution électrique :
Sélectionnez la commande.
La boîte de dialogue « Préférences schéma de distribution électrique » s’ouvre.
Sélectionnez la catégorie « Général » pour définir les paramètres généraux par défaut.
Cliquez pour afficher/masquer les paramètres.Cliquez pour afficher/masquer les paramètres.
|
Paramètre |
Description |
|
Grille des objets schématiques |
Utilisez ces options pour contrôler la taille initiale des objets dans le schéma. |
|
Symétrique |
Cochez cette option pour avoir une grille écran symétrique. La valeur introduite dans le champ X est automatiquement copiée dans le champ Y. |
|
Grille X / Grille Y |
Saisissez les dimensions de la grille pour les axes X et Y. Le paramètre Y est grisé si vous avez sélectionné l’option Symétrique. |
|
Unités du périphérique |
|
|
Puissance |
Indiquez si l’unité est le watt ou le kilowatt pour le périphérique. |
|
Poids |
Sélectionnez les unités de poids (nous vous conseillons le kilogramme pour obtenir le meilleur résultat). |
Sélectionnez la catégorie « Longueurs de câble ». Vous pouvez modifier la liste de longueurs de câble par défaut. Sélectionnez la Longueur de câble dans la palette Info Objet d’un circuit sélectionné.
Cliquez pour afficher/masquer les paramètres.Cliquez pour afficher/masquer les paramètres.
|
Paramètre |
Description |
|
Liste des longueurs de câble |
Cette liste reprend les longueurs de câble disponibles. Éditez les entrées souhaitées. |
|
Ajouter |
Cliquez pour ajouter une nouvelle longueur de câble à la liste. La nouvelle longueur de câble est enregistrée dans le dossier Utilisateur. Éditez la ligne pour la nouvelle entrée en saisissant la nouvelle longueur de câble souhaitée. |
|
Supprimer |
Cliquez pour supprimer l’entrée sélectionnée dans la liste. |
|
Rétablir valeurs par défaut |
Cliquez pour rétablir les longueurs de câble par défaut. |
Création un schéma de distribution électrique
|
Commande |
Configuration : Emplacement |
|
Créer un schéma de distribution électrique |
Design Suite : Entertainment > Câbles/Distribution électrique Spotlight : Spotlight > Câbles/Distribution électrique ConnectCAD : ConnectCAD > Disposition |
Cette commande crée un schéma de distribution électrique basé sur les projecteurs et les distributeurs dans les calques sélectionnés. La commande met également à jour un schéma de distribution électrique existant et actualise les valeurs calculées.
La commande peut également mettre à jour un schéma de distribution électrique existant et les valeurs calculées. Si des périphériques ou des circuits existent déjà, la commande ne les duplique pas.
Les périphériques du schéma sont connectés automatiquement si les projecteurs et les distributeurs ont déjà été mis sous tension ou sont connectés par des câbles. Voir Patcher le système électrique.
Vous pouvez également patcher les objets ultérieurement. Des circuits sont automatiquement créés sur le schéma, ou des câbles sont ajoutés au plan de feu, au fur et à mesure du patching. L’option Créer automatiquement des câbles à la connexion de périphériques doit être sélectionnée dans boîte de dialogue des préférences des câbles (voir Définir les préférences des câbles).
Sélectionnez la commande Patcher les objets sélectionnés pour raccorder les projecteurs sélectionnés. Des circuits sont automatiquement créés pour les périphériques associés sur le calque schématique. (Voir Patch électrique à l’aide des commandes.)
Sélectionnez la commande Connecter les éléments sélectionnés pour connecter les périphériques sélectionnés (ou dessiner des circuits avec l'outil Connexion), afin de dessiner automatiquement des câbles et de raccorder les objets associés sur le plan de feu. (Voir Connecter des circuits automatiquement.)
Pour créer un schéma de distribution électrique :
Sélectionnez la commande.
La boîte de dialogue « Créer un schéma de distribution électrique » s’ouvre.
Cliquez pour afficher/masquer les paramètres.Cliquez pour afficher/masquer les paramètres.
|
Paramètre |
Description |
|
Liste des calques |
Sélectionnez les calques contenant les projecteurs et les distributeurs à utiliser comme base du schéma de distribution électrique. Cochez les calques à inclure dans la colonne Utiliser. |
|
Cocher tout / Décocher tout |
Cliquez pour cocher ou décocher tous les calques. |
|
Calque cible |
Sélectionnez le calque sur lequel vous voulez placer les schémas de distribution électrique. |
Un périphérique ConnectCAD est créé pour chaque projecteur et distributeur unique et placé dans le calque spécifié. (Voir Placer un périphérique basique ou un symbole de périphérique.)
Si nécessaire, ajuster l'emplacement des périphériques dans le schéma.

Afficher les objets Spotlight associés aux périphériques
Pour afficher l'objet Spotlight associé à un périphérique schématique :
Sélectionnez le périphérique schématique.
Cliquez sur Afficher l’objet Spotlight dans la palette Info Objet.
La vue passe au calque du plan de feu si nécessaire, zoome sur l'objet et le sélectionne.
